Bộ khử tĩnh điện Quick 442-2
- Hai vị trí làm việc, loại bỏ tĩnh điện trên diện rộng
- Cân bằng ion ổn định và có thể điều chỉnh
- Lắp đặt treo, tiết kiệm không gian
- Kim phóng điện dễ dàng vệ sinh
- Trang bị đèn chiếu sáng
Liên hệ nhận báo giá
SKU:
QUICK 442-2
Danh mục: Thiết bị bảo vệ chống tĩnh điện
Tính năng
- Tạo luồng khí ion trên diện rộng.
- Độ cân bằng ion ổn định và có thể điều chỉnh.
- Lắp đặt treo, tiết kiệm không gian.
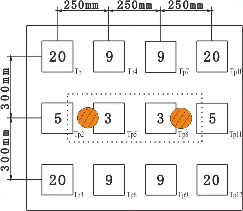
Sơ đồ thử nghiệm


Chú thích: Thử nghiệm ở khoảng cách thẳng đứng 45 cm từ cửa thổi khí.
Khu vực kiểm soát tĩnh điện (ESD) trong phòng sạch

Thông số kỹ thuật
| Thông số | Giá trị |
|---|---|
| Model | QUICK 442-2 |
| Công suất tiêu thụ | 50 W |
| Điện áp đầu ra | AC 5.6 KV |
| Cân bằng ion | Được điều chỉnh trong ±15V trước khi xuất xưởng (đo ở khoảng cách 450 mm từ tấm panel) |
| Lưu lượng khí | ≤ 1.2–2.4 m³/phút |
| Nhiệt độ vận hành | 0–50℃ |
| Phạm vi hiệu quả | 750 × 1500 mm |
| Thiết bị lọc | Tùy chọn |
| Kích thước tổng thể | 630 × 170 × 90 mm |
| Trọng lượng | Khoảng 7,0 kg |
Danh mục
- Dụng cụ và thiết bị hàn
Dụng cụ và thiết bị hàn
- Thiết bị bảo vệ chống tĩnh điện (30 sản phẩm)
- Thiết bị kiểm tra (14 sản phẩm)
- Thiết bị lọc khói (8 sản phẩm)
- Thiết bị nhỏ keo (3 sản phẩm)
- Thiết bị sửa chữa BGA (9 sản phẩm)
- Trạm hàn thông minh (26 sản phẩm)
- Trạm tháo linh kiện (25 sản phẩm)
- Hàn chọn lọc
- Hàn laser
- Hàn thanh nhiệt FPC
Hàn thanh nhiệt FPC
- Hệ thống hàn on-line 12 đầu hàn (0 sản phẩm)
- Máy hàn thanh nhiệt dạng bàn xoay (0 sản phẩm)
- Máy hàn thanh nhiệt để bàn (0 sản phẩm)
- Thiết kế 4 đầu hàn (0 sản phẩm)
- Hệ thống hàn và lắp ráp tự động
Hệ thống hàn và lắp ráp tự động
- Dòng thiết bị hàn vi điểm & chính xác để bàn (0 sản phẩm)
- Hàn ép nhiệt (0 sản phẩm)
- Hàn mỏ (1 sản phẩm)
- Hàn tọa độ & linh kiện hàn (0 sản phẩm)
- Hệ thống siết vít tự động (0 sản phẩm)
- Thiết bị nhỏ keo chính xác
- Khắc laser
Có thể bạn quan tâm
